产品详细:
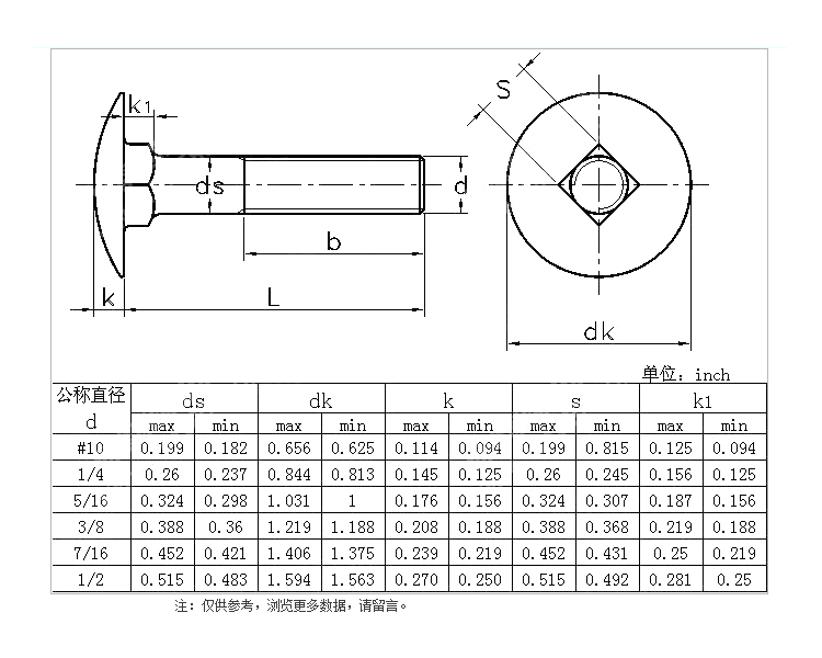
马车螺栓,马车螺丝,半圆头方颈螺栓,小半圆头方颈螺栓,半圆头低方颈螺栓【螺纹】:半牙,全牙,公制,(英制,美制请咨询客服) 【材料】:304,(不锈钢,316,304L,316L请咨询客服)【标准】:GB14,DIN603(GB12,GB801请咨询客服) 【规格】:M6~M12 长度:12-150mm【表面处理】洗光,(耐落,达克罗,特氟龙请咨询客服) 【包装】胶袋,纸盒,纸箱,托盘【非标订制 】如果您需要对螺丝的部位尺寸做修改,或者其他特殊要求,可以提供产品的图纸,我们可以按图加工,符合环保,通过欧盟RoHS环保监测,用心做好每一颗螺丝,黄瓜视频app始终关注客户未来,产品曾被以下行业选用,并获得客户好评: 风力发电,火电工程,核电设备,水利工程,铁路工程,公路桥梁,幕墙工程,机械设备,游艺设备,船舶设施,化工机械,电子电器,通讯钣金,纺织机床 黄瓜视频app下载,管道 阀门,压力容器,通讯设备,LED灯饰,医疗设备,精密工业,电镀化工,办公家具,装饰工程,厂房建设,矿产能源,汽车传动等行业,不锈钢螺丝广泛被风力发电行业采用, 温馨提示:如果您喜欢我们的图片与文字,转载请注明信纯出处。


