产品详细:
黄瓜视频最新版. 内黄瓜视频最新版. 扳手. 英制黄瓜视频最新版. L型黄瓜视频最新版 黄瓜视频app下载. 六角匙.
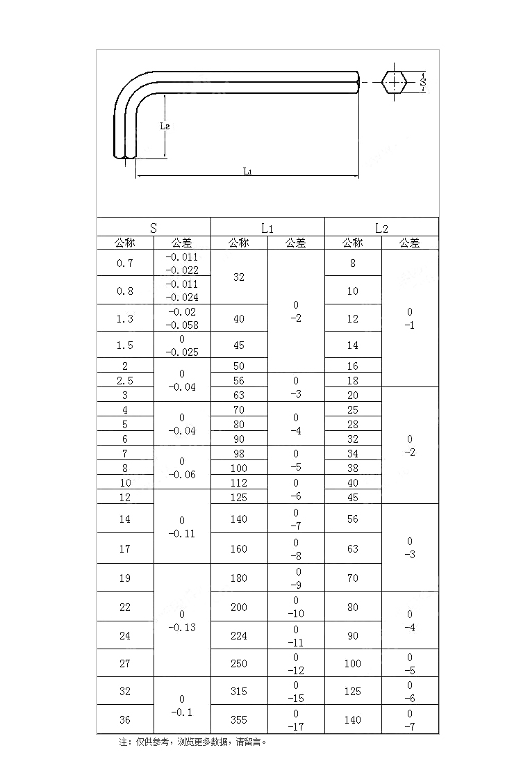
【标准】:尺寸参考以下图纸
【规格】:M0 黄瓜视频官方版. 7-M36(英制、美制超大规格可提供订制).
【材料】45#加硬 黄瓜视频最新版. (316不锈钢. 304不锈钢请咨询客服).
【硬度】48°~50°
【表面处理】普发黑 黄瓜视频免费. (如需镀镍. 镀锌. 达克罗. 特氟龙请咨询客服).
【包装】胶袋,纸盒,纸箱,托盘【非标订制 】如果您需要对螺丝的部位尺寸做修改,或者其他特殊要求,可以提供产品的图纸 视频app下载站,我们可以按图加工。
符合环保,通过欧盟RoHS环保监测。用心做好每一颗螺丝,黄瓜视频app始终关注客户未来!
产品曾被以下行业选用,并获得客户好评: 风力发电、火电工程、核电设备、水利工程、铁路工程、公路桥梁、幕墙工程、机械设备、游艺设备、船舶设施、化工机械、电子电器、通讯钣金、纺织机床、管道 阀门、压力容器、通讯设备、LED灯饰、医疗设备、精密工业、电镀化工、办公家具、装饰工程、厂房建设、矿产能源、汽车传动等行业。不锈钢螺丝广泛被风力发电行业采用。
温馨提示:如果您喜欢我们的图片与文字 黄瓜视频app下载,转载请注明信纯出处。


